發布時間:2022-01-19 14:35:42 作者:顯揚科技
大寰PGE-5 夾爪概況:
大寰PGE 系列夾爪為工業薄型平行電爪,數字代表夾爪的最大夾持力。夾爪配有一對平行指尖,運動過程中對稱運行,夾爪主體結構為平滑的長方形結構,擁有 5 面安裝孔位,可以滿足設備的不同安裝條件,并配有一個8芯的通訊接口,并具有以下特點:
大寰PGE-5夾爪產品亮點:
1. 小體積,安裝靈活
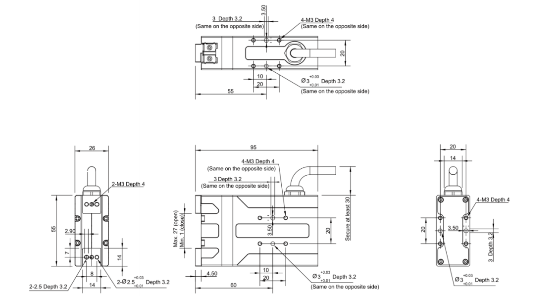
最薄處僅 26 mm,結構緊湊、支持至少五種靈活安裝方式應對夾持任務需求,節約設計空間。
2. 快速響應
開閉合時間最快可達 0.2 s / 0.2 s,可滿足生產線高速穩定的夾持需求。
3. 精確力控
采用特殊傳動設計與驅動算法補償,抓取力連續可調,最高可實現 0.1 N 為單位的力重復精度。
大寰PGE-5 夾爪性能參數:
PGE-5 夾爪為工業薄型平行夾爪,具有精準力控、體積小、多種安裝方式、指尖可定制、抓取掉落反饋、驅控一體等特點。

大寰PGE-5 夾爪硬件安裝圖:
大寰PGE-5 夾爪指示燈定義:
夾爪可對夾爪的狀態實時進行反饋。除了可用指令進行讀取,也可以在指示燈的顏色上進行判斷:
未初始化狀態:紅燈閃爍,其他燈不亮。
初始化完成狀態:藍燈常亮,表示進入可操作的狀態。
接收到命令狀態:紅燈快速閃爍一次(由于此時藍燈常亮,因此夾爪指示燈會呈現偏紫色的狀態)。
夾住物體狀態:綠燈常亮,其他燈不亮。
物體掉落狀態:綠燈閃爍
顯揚科技專注研發并產業化高速高清三維機器視覺設備、智能協作機器人系統。顯揚科技創建了一個集高精度視覺傳感器、智能協作機器人、智能感知與控制系統平臺,讓機器人更加智能、可靠,適用于更多復雜的應用場景。顯揚科技研發的三維機器視覺設備精度能達亞微米級,三維數據采集幀率高達300幀,具有高精度、大景深、高穩定性的優勢,已在多個領域成功替代進口同類產品。目前,顯揚科技產品已成功應用于食品、電器、陶瓷、物流、教育科技、新零售等行業。
顯揚(深圳)
深圳市福田保稅區英達利科技數碼園B棟205號
顯揚(佛山)
佛山市南海區獅山鎮廣工大數控裝備協同創新研究院A座507
顯揚(蘇州)
張家港市塘橋鎮張家港節能環保創新園A區E幢6樓
微信公眾號
合作咨詢
電話:0755-83215213
聯系人:18670025215
郵箱:jim@hinyeung.com