發布時間:2021-12-02 17:03:12 作者:顯揚科技
CGE 系列為三指協作型電爪,數字代表單個指尖的最大夾持力。夾爪配有 3個指尖,呈圓周平均分布。運動過程中對稱運行,夾爪主體結構為平滑的圓形結構,底部與標準法蘭適配,并配有一個 8 芯的通訊接口,用于連接到機器人末端或其他設備。
CGE系列電爪并具有以下特點:
1. 力位速可控:夾爪可以對夾爪的夾持位置、夾持力值和運行速度進行編程調節,可以任
意組合搭配。
2. 多種通訊方式:夾爪本體采用標準的 modbus-RTU 協議和 IO 模式進行控制。其他如
USB、EtherCAT、CAN、TCP/IP 等通訊協議可通過協議轉換器進行轉接。
3. 夾持判斷:夾持過程中采用力控和位控相結合的方式。
4. 夾持反饋:夾爪的狀態可以通過編程進行讀取,也可以根據夾爪本體的指示燈進行判斷。
5. 指尖可定制:可根據實時情況對指尖的進行替換,適用于精密加工、零件組裝等領域。

CGE-10電爪可對自身狀態實時進行智能反饋,除了可用指令進行讀取,也可以在指示燈的顏色上進行判斷:
指示燈顏色說明
1. 未初始化狀態:紅燈閃爍,其他燈不亮。
2. 初始化完成狀態:藍燈常亮,表示進入可操作的狀態。
3. 接收到命令狀態:紅燈快速閃爍一次(由于此時藍燈常亮,因此夾爪指示燈會呈
現偏紫色的狀態)。
4. 夾住物體狀態:綠燈常亮,其他燈不亮。
5. 物體掉落狀態:綠燈閃爍
CGE-10 電動夾爪硬件參數:

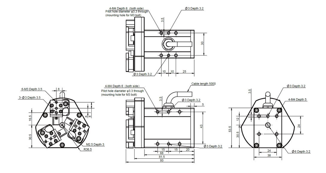
CGE-10 電動夾爪安裝尺寸圖:

顯揚科技通過自主研發的高速高清三維機器視覺設備,以及智能工業機器人系統,聯合多個知名機器人與機器人夾具企業,構建了一個機器人生態系統。顯揚生態的產品能夠完美的與顯揚科技的機器視覺產品結合,包含通信協議、圖形處理SDK、操作案例等。顯揚科技同時是這些企業的代理商,可以提供可靠、性價比高的產品。目前顯揚科技生態系統包括以下品牌:UR優傲協作機器人 、AUBO遨博移動機器人、Franka Emika 協作機器人、艾利特Elite協作機器人、Kuka iiwa 協作機器人、ABB工業機器人、??倒I鏡頭 、??倒I相機、伯朗特工業機器人、 愛普生Epson工業機器人、 robotiq夾爪 、robotiq真空吸盤、robotiq腕部相機、慧靈機器人電爪 、大寰機器人電爪、研華工控機、超恩工控機、創想三維3D打印機 、Mir AGV、機器人關節、精密機械加工服務。通過顯揚生態,客戶可以快速找到合適的機器人本體、夾具等,并快速部署基于顯揚三維機器視覺產品的工業應用。
顯揚(深圳)
深圳市福田保稅區英達利科技數碼園B棟205號
顯揚(佛山)
佛山市南海區獅山鎮廣工大數控裝備協同創新研究院A座507
顯揚(蘇州)
張家港市塘橋鎮張家港節能環保創新園A區E幢6樓
微信公眾號
合作咨詢
電話:0755-83215213
聯系人:18670025215
郵箱:jim@hinyeung.com